分享好友 资讯首页 频道列表

什么是张拉式膜结构建筑?张拉膜结构建筑应用场景

2023-02-11 16:1124970

什么是张拉式膜结构建筑?张拉膜结构建筑应用场景


景观张拉膜结构建筑工程门户网-致力推动行业公司健康发展-提供辅助遮阳雨篷材料钢丝锚头配件-解决张力拉伸式索膜体系项目方案服务商

张拉膜建筑

近代的张拉膜结构工程,受到各种大型帐篷的启发,并随着新型膜材料和高强钢索的研发,以各种自由、轻巧、柔美,充满力量感的造型,在园林建筑领域的应用变得越来越广泛


膜结构

△ 常见的膜结构形式

除此之外,因为膜结构具有便捷拆装的特点,特别适用于小型、临时的,或使用年限较短的建筑 ,膜结构建筑打破了以往建筑形态的模式,以其独特新颖、丰富多彩的造型、优美的曲线

成为城市的象征性建筑,给建筑设计师与规划师提供了,更大的想象和创造空间

现代膜结构创新设计案例展示

△ 现代膜结构创新设计案例展示


现代膜结构创新设计案例展示

△ 现代膜结构创新设计案例展示


01.膜结构的材料特性

建筑中最常用的膜材料,主要有PTFE膜、PVC膜和ETFE膜三种,膜材的选择,往往取决于建筑物的功能

防火要求、设计寿命和投资额


图片


PTFE

在极细的玻璃纤维(3微米)编织成的基材上

涂覆聚四氟乙烯等材料


在立体花园的外侧悬挂着半透明的 PTFE 膜材,在炎热季节起到遮阳和通风作用的同时,也让建筑看起来飘逸,轻盈

好像一层透薄柔软的皮肤覆盖在建筑骨架之上



苏州奥林匹克体育中心,体育场屋顶覆盖PTFE膜,采用单层索网结构,这在中国尚为首创。

▲ 苏州奥林匹克体育中心,体育场屋顶覆盖PTFE膜,采用单层索网结构,这在中国尚为首创。


PTFE膜在1979年左右出现后,从各方面改善了膜材的特性,使得膜结构从帐篷或临时性建筑,发展到永久性建筑

PVC

以尼龙织物为基材

涂覆PVC 或其他树脂


中国种子”—2015米兰世博会中国企业联合馆膜结构建筑,意大利 同济设计集团

▲ “中国种子”—2015米兰世博会中国企业联合馆膜结构建筑,意大利

同济设计集团


建筑表皮材料选择白色PVC膜,并借助钢结构大尺度悬挑,使建筑体量轻灵而飘逸,入口处帘幕掀起,建筑空间内外相生、上下贯通

与外部世博景观相互融合


伦敦奥运会篮球馆膜结构建筑

▲ 伦敦奥运会篮球馆膜结构建筑,可回收PVC膜在后面的结构的作用下形成优美的起伏



ETFE

乙烯-四氟乙烯共聚物薄膜

非织物类



The Shed艺术中心张拉膜工程建筑,纽约,ETFE覆面和滚轮装置

▲ The Shed艺术中心张拉膜工程建筑,纽约,ETFE覆面和滚轮装置


The Shed的高度为37米,其可移动的外壳由裸露的钢斜架构成,外部包覆以强韧而轻巧的透明ETFE垫层

这种材料拥有与隔热玻璃相同的热力性质但质量要轻许多


2019中国北京世界园艺博览会中国馆膜结构建筑,由玻璃和ETFE膜作为顶面的二层展厅

▲ 2019中国北京世界园艺博览会中国馆膜结构建筑,由玻璃和ETFE膜作为顶面的二层展厅


02.膜结构受力特性(高效的张拉结构)


膜结构是以高强度的柔性薄膜材料,经张拉或充气形成稳定的曲面承受外荷载的结构形式

其造型自由、轻巧、柔美,充满力量感


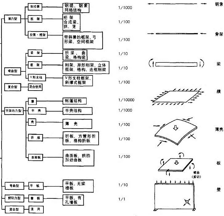
膜结构形式谱系简图

膜结构形式谱系简图


在上面的结构体系简图中,膜结构属于利用形抗的全轴力张拉结构,其结构效率是非常高的,利用膜材料的高抗拉强度

单独考虑膜材的跨度与其厚度的比值可以达到1/10000是最极致的轻型结构


图片


膜结构构件尺寸与跨度的比值(估算)


03.膜结构形式分类  

根据膜结构的成形方式和受力特点,一般可以分为,张拉膜、充气膜和骨架膜三种

比较形象的比喻是张拉膜像帐篷,充气膜像热气球,骨架膜像蒙古包


几种张拉膜和充气膜

几种张拉膜和充气膜


  张拉膜  


利用马鞍面或者其它曲面正反曲率的特点,给膜材施加张力,以提高膜结构的刚度

抵抗外荷载,弗雷·奥托最早把这一创意应用于建筑,创造出自由多变,轻盈飘逸的膜建筑造型


卡塞尔联邦花园膜建筑展览音乐厅

▲ 卡塞尔联邦花园膜建筑展览音乐厅, 1955


奥托1955年设计卡塞尔联邦花园膜建筑展览音乐厅,像是一个四点支撑的帐篷,依靠边索给膜施加预应力

使帐篷的外形呈现两头向上、两头向下的形状(马鞍形),这个设计宣告了帐篷设计进入了全新的时代


科隆园艺展膜结构舞场

▲ 科隆园艺展膜结构舞场,1957


不久之后

他设计了膜结构科隆园艺展舞场,由6根梭形柱撑吊起张拉膜,再以6根稳定索向下压住膜材以平衡受力

覆盖了直径33米的室外舞场区域,从结构体量和设计方面来说,该结构第一次超出了“帐篷”的意向


图片

▲ 科隆联邦张拉膜庭院展览入口拱门, 1957 


科隆联邦庭院展览入口拱门,是膜和钢结构拱的组合,拱门跨度34m,跨越整个售票大厅,钢结构拱为膜提供张拉支承条件

膜张紧后又为钢拱提供侧向支撑,钢拱的截面非常小,直径仅为171mm、壁厚为14mm,如今,现场所呈现的是当年的复制品

与原作相比其跨度小而受压拱的截面却更大


1964年

弗雷·奥托成立了“轻型建筑研究所”,被称为“建筑天空的起飞跑道”,他的代表作蒙特利尔博览会西德馆

德国慕尼黑奥运会虽然为索网张拉结构,但几乎完美地呈现了张拉膜的形态,因为索网结构与张拉膜结构具有类似的受力原理


蒙特利尔博览会德国馆上的膜结构建筑

▲ 蒙特利尔博览会德国馆上的膜结构建筑,1967


膜材一般不能单点受力,(局部拉应力过大,可能会撕裂),当“膜”面内仅仅由一根桅杆支撑时

为了将膜材的内力传递到帐篷的高、低点上,通常需设置脊索、谷索、索圈(即“索眼”)来实现

类似于上图蒙特利尔博览会德国馆的作法

慕尼黑奥运会主场馆上的膜结构

▲ 慕尼黑奥运会主场馆上的膜结构, 1968–1972


丹佛国际机场航站楼膜结构建筑,是为数不多的整体采用膜结构的机场,76米x285米的大空间

沿长边方向划分为17个单元

丹佛国际机场航站楼膜结构建筑

▲ 丹佛国际机场航站楼上的膜结构:鸟瞰


每个单元由间距45.8米的两根支柱,撑起山峰形的脊索

柱间为起稳定作用的谷索,以脊索和谷索为边界结构,其间的张拉膜材料覆盖建筑大空间

丹佛国际机场航站楼膜结构建筑

▲ 丹佛国际机场航站楼:室内 


2010年上海世博会主入口的世博轴

也采用了张拉索膜结构德国SBA公司和华东建筑设计研究院设计

全长1045米、宽约100米的世博轴,由6个喇叭形的“阳光谷、13根大型桅杆,数十根斜拉索和巨大的膜结构组成


上海世博会主入口的世博轴

上海世博会主入口的世博轴

上海世博会主入口的世博轴

▲ 上海世博会世博轴上的膜结构,2010年


  骨架膜  


骨架膜是以刚性构件作为骨架,以膜材作为覆盖材料,主要由刚性骨架承受外荷载

由于膜材的透光性和张力感,使得骨架膜结构的大空间更加明亮、开放、富有力度感


图片

蓬皮杜梅斯膜结构艺术中心

▲ 蓬皮杜梅斯膜结构艺术中心, 2010


蓬皮杜梅斯艺术中心

由坂茂建筑事务所(Shigeru Ban Architects)设计,以15m跨度为模数

3个纵深长达90m的长方体彼此垂直层叠,木结构屋面表面覆盖PTEE薄膜,呈现出极佳的效果

  充气膜  

利用气压使膜产生张力,以此来抵抗外力的结构

称为充气膜结构,具体又分为气承式和气胀管式两大类,,是现代膜结构摆脱马戏团帐篷形象的一次尝试

简单地理解,气承式是利用膜内外气压差,使膜产生拉力来平衡外荷载,类似于热气球

图片

气承式(热气球) 


气胀管式的原理是利用充气使得管(梁或拱)形成抗弯和轴向刚度以承担外荷载

类似于常见的充气棒,气胀管式充气膜所需要的气压比气承式的更大结构效率比气承式低


图片

  气承式和气胀管式受力原理简图


充气膜结构建造方便、快速、最初用于军用设施

Votta Byrdr从美军雷达穹顶、兵营和仓库充气膜结构的建造中积累了经验

于1957年采用充气膜建造了自家的游泳池简易棚第一次把这种结构形式带入到大众的建筑领域

以1970年大阪世博会为展示契机膜结构因建造快速简便被众多国家场馆所采用

其中最具代表性的美国馆和富士馆都是充气膜

图片

▲ 大阪世博会上的美国馆,1970


美国馆的方案是由盖格尔(D.Geiger)提出的低拱度空气膜结构,属于气承式

在长轴142米、短轴83.5米的椭圆形压环内侧用索张拉膜材(聚氯乙烯喷涂的玻璃纤维布)

美国馆穹顶的垂度非常低(仅1.6m)垂度低的充气穹顶受到的风荷载分布比较均匀(吸力)这对保持膜结构形态和承载力的稳定非常有利


大阪世博会上的美国馆上的膜结构

▲ 大阪世博会上的美国馆上的膜结构,1970



PTFE这种不可燃、高耐久性膜材的出现为充气膜形式的永久建筑提供了技术上的可行性,20世纪七八十年代

美国和加拿大建造了大量的盖格尔充气膜(单层低矢高气承式膜结构)的体育馆,然而,由于充气穹顶在风雪影响下

受损甚至倒塌的事故多次发生且建筑维护费用高(维持气压和修补),渐渐地充气穹顶被其它形式的穹顶所取代


事故原因包括多种因素膜材料寿命(通常20-30年左右)风雪天气的大幅降温使得气压不稳定

低矢高穹顶易积雪挠度大和积雪进一步增大的恶性循环除雪困难等


盖格尔膜结构设计

▲ Hubert H. Humphrey Metrodome,盖格尔膜结构设计

2010年因暴雪导致膜材撕裂,内部气压骤降而垮塌


04.膜结构其它特性


相比与其它结构材料膜还有一些独特的性质,比如光特性(透光、遮光、泛光)、可折叠、可卷起

利用这些特点能设计出更加有趣的结构

图片

▲ 2012欧洲足球竞标赛赛场,波兰

利用膜的可展特性实现中心屋盖电动的开启和封闭膜建筑 

实现中心屋盖电动的开启和封闭膜建筑

以膜作为张拉材料的张拉整体结构

压杆之间不直接连接 

以膜构成的空间有无穷无尽的可能和魅力综合考虑功能与形态、造型与力材料、系统、节点、织物裁剪、施工方法等等

膜结构设计也是一种妙趣横生的探索过程 

05.膜结构案例欣赏

泰山九女峰景观膜结构建筑,书房,书吧

 gad · line+ studio

屋面内外的双层白膜都由一序列尺寸渐变的拱形轻钢龙骨张拉而成,精确保证了屋面异形造型的流畅、柔美、顺滑。


泰山九女峰景观膜结构建筑,书房,书吧

泰山九女峰景观膜结构建筑,书房,书吧


响沙湾莲花帐篷酒店,内蒙古库布齐沙漠帐篷酒店

PLAT ASIA

莲花酒店位于中国内蒙古库布齐沙漠的响沙湾。莲花的形式源自浩瀚沙漠中沙丘的形式,

膜结构不仅是一种视觉景观,更承担着室内遮阳的作用,预估在冷却系统上能降低碳排放及电能的消耗。

响沙湾莲花帐篷酒店,内蒙古库布齐沙漠

响沙湾莲花帐篷酒店,内蒙古库布齐沙漠

DOX+当代艺术中心张拉膜建筑

这栋建筑来自于对1970年代原有建筑的更新改造,钢筋混凝土表面穿上一层柔软的立面,

塑料薄膜在极端严寒的天气中不会因收缩而撕裂,并且当阳光照射表面温度升高时,也不会失去张力。

DOX+当代艺术中心张拉膜建筑

黑瞎子岛北大荒现代生态园ETFE工程,黑龙江

北大荒生态公园位于黑霞子岛,自重极轻,热工性能优异的三层ETFE气枕作为表皮是整个建筑的特色。

聚向的6m×6m气枕形成的巨大三角向中心逐渐变小。缩小,使建筑形体的向心力增强,仿佛拥有坚固的磁场,压缩了周边的空间。

黑瞎子岛北大荒现代生态园三层ETFE工程,黑龙江


▲ 建筑表皮采用了热工性能优异的三层ETFE气枕

2014年FIFA世界杯 “马内·加林沙”国家体育场膜结构建筑,巴西

悬挂式屋面由双层结构组成,通过混凝土压力环固定。上层为半透明PTFE膜结构,下层为背面照明的膜结构。


2014年FIFA世界杯 “马内·加林沙”国家体育场膜结构建筑,巴


奥胡斯大学可持续发展的ETFE膜结构温室竞赛温室,丹麦

奥胡斯大学可持续发展的ETFE膜结构温室竞赛温室,丹麦

北京地铁昌平线西二旗站

根据侧式站台的特征,车站采用了双四边形组合建筑断面形式,并以PTFE膜结构作为屋面和立面维护材料和结构,实现了内部基本无柱的长向大空间。

北京地铁昌平线西二旗站

蛇形长廊,英国

蛇形长廊,英国

蛇形画廊扩建由扎哈.哈迪德(Zaha Hadid)操刀,餐厅外面的白色壳体是玻璃纤维编织的纺织膜,

外膜是PTFE涂层玻璃纤维布,内膜是有机硅涂层玻璃纤维布,外圈收口为玻璃钢。

伦敦奥运会篮球馆膜结构

伦敦奥运会篮球馆膜结构

伦敦奥运会篮球馆是奥运会历史上最大的临时场馆。场馆高30m,面积两万平方米,外敷可回收PVC膜,

膜在后面的结构的作用下形成优美的起伏。透光的外表皮可以使得场馆在白天可以非常少的依赖人工照明。


图片  伦敦奥运会射击场


伦敦奥运会射击场

设计这项运动,观众的肉眼很难看轻,因此设计的重点希望通过动态的弧形空间表达出这个运动的动态和精密。

白色的膜外皮上面点缀着彩色的开口,这些开口是节点,也可以消解风压,并为场地通风,也有的充当着场地的出口。清新的外观增强了奥运会的节日气氛。


Al Janoub体育场,卡塔尔

Al Janoub体育场,卡塔尔


Al Janoub体育场,卡塔尔

体育场包含一个可调节屋顶,采用了褶皱式PTFE纤维包层和缆索,在展开时犹如船帆一般覆盖在球场上方,在夏季时可提供荫蔽的比赛环境。

可见泽栖帐篷艺术酒店,云南

可见泽栖帐篷艺术酒店,云南

可见泽栖膜结构帐篷艺术酒店,云南

弗拉门戈膜结构冰塔

弗拉门戈膜结构冰塔,哈尔滨

弗兰门戈冰塔的设计,结合了东方传统塔楼的形态和弗拉明戈舞蹈的动势与优美,既体现了中外文化的融合,

也是力与美相结合的表达。高达31米的冰壳,结构的建造是通过将复合冰材料喷在巨大的充气膜上形成冰壳,平均厚度为25厘米。


图片

元上都遗址工作站膜结构帐篷,内蒙古

元上都遗址工作站位于元上都遗址之南,建筑形体朝向外侧的连续弧形界面,罩以白色半透明的PTFE膜材,

为建筑提供了必要保温的同时,又能引发蒙古包的联想,带来草原上临时建筑的轻盈感,从而最大限度的降低对遗址环境的干扰。


图片



反对 0
举报 0
收藏 0
打赏 0
评论 0